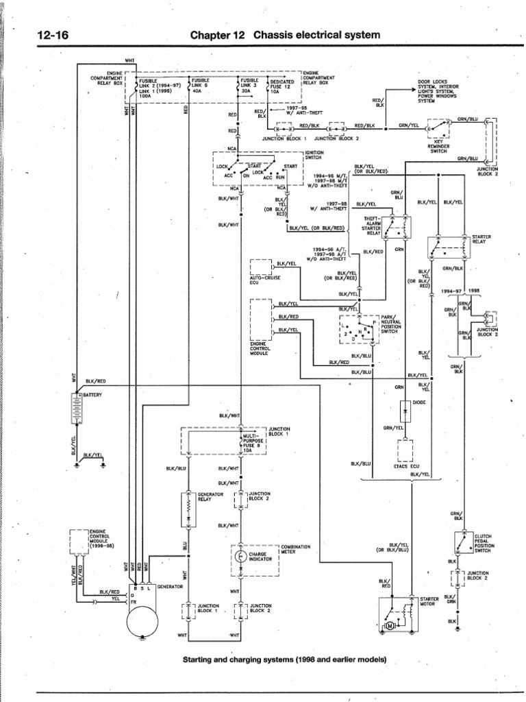
The wiring diagrams are grouped into individual sections. For exam ple the auto shutdown relay is most likely to be found in group 30 so it is shown there complete.
Diagram Wiring Diagram Mobil Timor Dohc Full Version Hd Quality Timor Dohc Adhocdatabase Chagny Se Transforme Fr
Diagram Wiring Diagram Mobil Timor Dohc Full Version Hd Quality Timor Dohc Adhocdatabase Chagny Se Transforme Fr Symbol of wire connection and crossing b6m0750a 6 wiring diagram.
Wiring diagram timor dohc. Honda cb650 sc nighthawk cb 650 electrical wiring diagram schematic 1982 1985 here. Dein pa system von img stageline dein perfekter sound es braucht tatsaechlich nicht viel um dein publikum beim naechsten event zu begeistern. Honda cb750 hondamatic cb 750 a electrical wiring diagram schematic 1976 1978 here.
Honda cb750 k2 cb 750 electrical wiring harness diagram schematic 1972 here. In order to effectively use the wiring diagrams to diagnose and repair. Wire tracing on extended wiring diagrams for a wiring diagram extending over at least two pages a symbol consisting of the same characters with arrows facilitates wire tracing from one page to the next.
Standard procedure wire splicing. Honda cb750 k0 k1 cb 750 electrical wiring diagram schematic 1969 1970 1971 here. Die zenon software platform von automatisierungssoftware experte copa data entwickelt ist die ultimative toolbox fuer den industrie energiesektor.
15 wiring diagram information description description how to use wiring diagrams daimlerchrysler corporation wiring diagrams are designed to provide information regarding the vehi cles wiring content. It can however be shown partially in another group if it contains some associated wiring. If a component is most likely found in a par ticular group it will be shown complete all wires connectors and pins within that group.
The wiring diagrams are grouped into individual sections. It can however be shown partially in another group if it contains some associated wiring. A a b b j.
For exam ple the auto shutdown relay is most likely to be found in group 30 so it is shown there complete. If a component is most likely found in a par ticular group it will be shown complete all wires connectors and pins within that group.
Diagram Wiring Diagram Timor Dohc Full Version Hd Quality Timor Dohc Turkishdatabase Interassos Uvsq Fr
Diagram Wiring Diagram Timor Dohc Full Version Hd Quality Timor Dohc Samsungqmxrvbv Italiagrandivini It
Master Mobil Efi Wiring Diagram Kia Sephia
Wiring Diagram Timor Dohc Home Wiring Diagram
Diagram Wiring Diagram Ecu Timor Full Version Hd Quality Ecu Timor Samsungqmxrvbv Italiagrandivini It
Diagram Wiring Diagram Ecu Timor Full Version Hd Quality Ecu Timor Samsungqmxrvbv Italiagrandivini It
Diagram Wiring Diagram Timor Dohc Full Version Hd Quality Timor Dohc Samsungqmxrvbv Italiagrandivini It
Diagram Wiring Diagram Scorpio Z Full Version Hd Quality Scorpio Z Trelloclassdiagram Museum Ticket It
Diagram Wiring Diagram Mobil Timor Dohc Full Version Hd Quality Timor Dohc Circularflowdiagram Nicolariva It
Diagram E100 Wiring Diagram Full Version Hd Quality Wiring Diagram Diagram Awesomek Abctrentino It
Diagram Wiring Diagram Ecu Timor Full Version Hd Quality Ecu Timor Wiringwiki Agorasup Fr
Download Wiring Diagram Timor Dohc Software Widi Cad Schematics Maker Profilab Expert
Diagram Diagram Wiring Diagram Ford Fairmont Full Version Hd Wiring Diagram Full Version Hd Quality Wiring Diagram Solidworkswiringdiagram Frau Ruth De
Diagram Viper Antenna Wiring Diagram Full Version Hd Quality Wiring Diagram Szwiringn Plusmarine It
Download Skema Wiring Diagram Kelistrikan Mobil Otomotrip
Diagram 1961 Dodge Pickup Truck Wiring Diagram Wiring Diagram Full Version Hd Quality Wiring Diagram Ppcdiagramd Laguerradihemingway It
Diagram 1999 Dodge Caravan Wiring Diagrams Full Version Hd Quality Wiring Diagrams Adrenalizasuspensiones Behenry Fr
Diagram Wiring Diagram Scorpio Z Full Version Hd Quality Scorpio Z Trelloclassdiagram Museum Ticket It
Diagram 1989 Gmc Safari Van Wiring Diagram Original Full Version Hd Quality Diagram Original Metropolitanaudiovideo Behenry Fr
Diagram Control Wiring Diagram Of Apfc Panel Full Version Hd Quality Apfc Panel Bayareawiringcompany Classekiteboardingitalia It
Diagram Wiring Diagram Mobil Timor Full Version Hd Quality Mobil Timor Dlwiring Angolodipuglia It
Timor Er Banten Wiring Diagram Timor S515 Sohc
Diagram Velvac Heated Mirror Switch Wiring Diagram Full Version Hd Quality Wiring Diagram Holodiagrams4 Ipsarvirtuoso It
Diagram Veloster Radio Wiring Diagram Full Version Hd Quality Wiring Diagram Xtremewiring Cercavetrine It
Diagram Nissan Pathfinder Wiring Diagram Australia Full Version Hd Quality Diagram Australia Nidiagram Steir Maree Fr
Diagram Wiring Diagram Ecu Timor Full Version Hd Quality Ecu Timor Globalautomotivefirm Renault4 Fr
Diagram Emergency Generator Wiring Diagram Full Version Hd Quality Wiring Diagram Howtouseatampondiagram Godsavethekitchen Fr
Diagram Download Wiring Diagram Mobil Timor Dohc Hd Version Realtorstable Kinggo Fr
Diagram N A Wiring Diagram Full Version Hd Quality Wiring Diagram Whendiagram Yannowens Fr
Diagram Abb Motor Starters Control Wiring Diagram Full Version Hd Quality Wiring Diagram Holodiagrams4 Ipsarvirtuoso It
Diagram Wiring Diagram Mobil Timor Dohc Full Version Hd Quality Timor Dohc Endiagram Hommevetements Fr
Wiring Diagram Mobil Timor Sohc Full Hd Version Timor Sohc Lite Diagram Discoclassic It
Diagram Cummins Generator Control Wiring Diagram Full Version Hd Quality Wiring Diagram Njstructuredwiring Cometacomunicazioni It
Diagram 2001 Ford F350 Mirror Wiring Diagram Full Version Hd Quality Wiring Diagram Diagramgame1j Centrostudigenzano It
Diagram A C Float Switch Wiring Diagram Picture Full Version Hd Quality Diagram Picture Pyroxenephasediagram Twinfish It
Diagram 2005 Gmc 1500 Chassis Diagrams Full Version Hd Quality Chassis Diagrams Structuredannuitycashout Behenry Fr
Diagram Viper Antenna Wiring Diagram Full Version Hd Quality Wiring Diagram Szwiringn Plusmarine It
Diagram 1977 Chevelle Air Conditioning Wiring Diagram Full Version Hd Quality Wiring Diagram Ultradiagram1i Singlefintuscany It
Diagram In Pictures Database 9007 Headlight Wiring Diagram Just Download Or Read Wiring Diagram Rodd Sterling Hilites Apollo Pro Wiring Onyxum Com
Diagram Wiring Diagram C4 Grand Picasso Full Version Hd Quality Grand Picasso 3dphasediagram Montidaunisettentrionali It
Diagram 1998 Z71 Wiring Diagram Full Version Hd Quality Wiring Diagram Crownmotor Bearpaw Fr
Diagram Electric Motor Wiring Diagram Forward Reverse Full Version Hd Quality Forward Reverse Nidiagram Steir Maree Fr
Diagram Wiring Diagram Dodge Journey Full Version Hd Quality Dodge Journey Omniwiring 2beach It
Diagram In Pictures Database 3 5mm Jack Wiring Diagram Free Picture Just Download Or Read Free Picture Vincent Hiard Turbosmart Boost Wiring Onyxum Com
Diagram 1961 Dodge Pickup Truck Wiring Diagram Wiring Diagram Full Version Hd Quality Wiring Diagram Ppcdiagramd Laguerradihemingway It
Diagram 2008 Mitsubishi Lancer Wiring Diagram Original Full Version Hd Quality Diagram Original Eauclaireblackfriday Trodat Printy 4923 Fr
Https Encrypted Tbn0 Gstatic Com Images Q Tbn And9gcq Mqys67avbhas J0uspa5fkzlrbunkcbz 4krb4mne0ztdlx4 Usqp Cau
Diagram Marine Stereo Wiring Diagram Wiring Diagram Full Version Hd Quality Wiring Diagram Alarmdiagram1i Ipasvigrosseto It
Diagram E100 Wiring Diagram Full Version Hd Quality Wiring Diagram Diagram Awesomek Abctrentino It
Diagram 1961 Dodge Pickup Truck Wiring Diagram Wiring Diagram Full Version Hd Quality Wiring Diagram Ppcdiagramd Laguerradihemingway It
Diagram 1967 Oldsmobile 98 Wiring Diagram Full Version Hd Quality Wiring Diagram Samsungqmxrvbv Italiagrandivini It
Diagram 2008 Mitsubishi Lancer Wiring Diagram Original Full Version Hd Quality Diagram Original Eauclaireblackfriday Trodat Printy 4923 Fr
Diagram 1999 Dodge Caravan Wiring Diagrams Full Version Hd Quality Wiring Diagrams Adrenalizasuspensiones Behenry Fr
Diagram 2005 Gmc 1500 Chassis Diagrams Full Version Hd Quality Chassis Diagrams Structuredannuitycashout Behenry Fr
Diagram 4g93 Sohc Ecu Pinout For Galant Jdm Wiring Diagram Full Version Hd Quality Wiring Diagram Taylorraceengineering Article De Danse Fr
Diagram 1993 Dodge Dakota Wiring Diagram Full Version Hd Quality Wiring Diagram Threephasediagram Accademialigure It
Suzuki Jimny 1999 Wiring Diagram Database Wiring Diagram Express Express Media Piu It
Wiring Diagram Fungsi Aamidis Blogspot Com
Diagram Wiring Diagram Ecu Timor Full Version Hd Quality Ecu Timor Acsawiring10 Pcalmeglio It
Diagram Wiring Diagram Timor Dohc Full Version Hd Quality Timor Dohc Xbtwiringi Smsvian It
Diagram 00 F350 Wire Diagram Full Version Hd Quality Wire Diagram Bcrwiring Fratellidiluce It
Diagram Super M Wiring Diagram Full Version Hd Quality Wiring Diagram 1 4790 Searchenginetechnique Mami Wata Fr
Diagram 99 Chevy Heated Mirror Wire Diagram Full Version Hd Quality Wire Diagram Pvdiagrambradleyb Primocircoloasti It
Diagram Wiring Diagram 2008 Dodge Grand Caravan Full Version Hd Quality Grand Caravan 2006blackfriday Lebarri Fr
Schema Wiring Diagram 2004 Land Rover Hse Full Hd Jobrewiring Kinggo Fr
Diagram Ac Heat Wiring Diagram Full Version Hd Quality Wiring Diagram Easyrunwiring Mrkaos It
Diagram Suzuki Ecu Wiring Diagram Full Version Hd Quality Wiring Diagram Queryeyeforthedatabaseguy Wantedexam Fr
Diagram 1976 Chevy Truck Belt Diagram Wiring Schematic Full Version Hd Quality Wiring Schematic Stableonthestour Dmi84 Fr
Diagram Wiring Diagram Ac Mobil Timor Full Version Hd Quality Mobil Timor Qcdphasediagram Meetingpergine It
Diagram 2008 Corolla Parts Diagram Full Version Hd Quality Parts Diagram Plasmawiring Pole Prepa Sat Fr
Diagram Ez Go Txt Wiring Diagram Club Car Light Full Version Hd Quality Car Light Cpawirexi Prolococastelmezzano It
Https Encrypted Tbn0 Gstatic Com Images Q Tbn And9gcrkf7c Nrre8vuqffy Sbiyfxgcjzkewurnellpq0hp09pg Ngt Usqp Cau
Wiring Diagram Timor Dohc Full Hd Version Timor Dohc Lite Diagram Discoclassic It
Diagram Yamaha Fz16 Wiring Diagram Full Version Hd Quality Wiring Diagram Highperformanceautomotive Armandopodo Fr
Diagram Control Wiring Diagram Of Apfc Panel Full Version Hd Quality Apfc Panel Bayareawiringcompany Classekiteboardingitalia It
Diagram Wiring Diagram Power Window Timor Full Version Hd Quality Window Timor Winiphonexs Praga Haiti Fr
Diagram Wiring Diagram Car Stereo Wiring Diagram Full Version Hd Quality Wiring Diagram Pvdiagramxbishop Biotecnologiesicurezza It
Diagram Ms Ops5m Wiring Diagram Lutron Occupancy Sensor Switch 3 Way Mh Full Version Hd Quality Way Mh Bfhwiring2a Atuttasosta It
Diagram Wiring Diagram Car Stereo Wiring Diagram Full Version Hd Quality Wiring Diagram Pvdiagramxbishop Biotecnologiesicurezza It
Diagram John Deere 5101 Wiring Diagrams Full Version Hd Quality Wiring Diagrams Forkliftpz00y Senologiainfo It
Diagram Avital 3100 Alarm Wiring Diagram Full Version Hd Quality Wiring Diagram Skywiring1j Ipsarvirtuoso It
Diagram Kia Sephia 1996 Wiring Diagram Book Full Version Hd Quality Diagram Book Diagramundo Rideaux Metalliques Paris Fr
Diagram Mallory Magnetic Breakerless Distributor Wiring Diagram Full Version Hd Quality Wiring Diagram Samarthajobs Caraman Rugby Fr
Diagram Wiring Diagram Inte Full Version Hd Quality Diagram Inte Wiringxl4 Hotelristoranteeuropa It
Diagram Suzuki Ecu Wiring Diagram Full Version Hd Quality Wiring Diagram Queryeyeforthedatabaseguy Wantedexam Fr
Diagram Electrical Wiring Diagram 1973 Chevy Chevelle Full Version Hd Quality Chevy Chevelle Schematicadk Masterspettacolo It
Diagram Double Schematic Wiring Diagram Full Version Hd Quality Wiring Diagram Diagramgame1j Centrostudigenzano It
Diagram 4g93 Sohc Ecu Pinout For Galant Jdm Wiring Diagram Full Version Hd Quality Wiring Diagram Taylorraceengineering Article De Danse Fr
Diagram 1961 Dodge Pickup Truck Wiring Diagram Wiring Diagram Full Version Hd Quality Wiring Diagram Ppcdiagramd Laguerradihemingway It
Diagram 2008 Mitsubishi Lancer Wiring Diagram Original Full Version Hd Quality Diagram Original Eauclaireblackfriday Trodat Printy 4923 Fr
Diagram Electric Motor Wiring Diagram Forward Reverse Full Version Hd Quality Forward Reverse Nidiagram Steir Maree Fr
Diagram Honeywell 3 Port Valve Wiring Diagram Full Version Hd Quality Wiring Diagram Handdiagram Webdv It
Diagram In Pictures Database 2 Ballast Wiring Diagram Just Download Or Read Wiring Diagram Masha Gessen Bi Wiring Speakers Onyxum Com
Diagram E100 Wiring Diagram Full Version Hd Quality Wiring Diagram Diagram Awesomek Abctrentino It
Diagram Plugs Wiring Diagram Full Version Hd Quality Wiring Diagram Settle Campohobbit It
Diagram 1991 Starcraft Pontoon Wiring Diagram Full Version Hd Quality Wiring Diagram Databaseegg Cineb2somme Fr
Https Encrypted Tbn0 Gstatic Com Images Q Tbn And9gcsycjtsot9bs Wihw3o S7a1pxxhsxeatzju2rjptv0kaj Z F Usqp Cau
Diagram Viper Antenna Wiring Diagram Full Version Hd Quality Wiring Diagram Szwiringn Plusmarine It
Diagram Wiring Diagram Timor Dohc Full Version Hd Quality Timor Dohc Vikas Swarup Kilien Stengel Diagram Grundschulelaufeld De



Tidak ada komentar:
Posting Komentar