Nissan Murano Wiring Diagram 2008 Nissan Altima Radio Wiring Diagram Collection
Nissan diagram navara d22 wiring murano 2009 sl 2008 circuit electrical carfusebox. Nissan murano wiring diagram. 12+ nissan murano engine wiring diagram
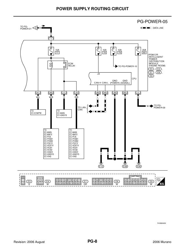
nissan murano wiring diagram
Download PDF
Fixya 2005 alternator


1997 nissan maxima alternator pulling 0.5a all the time. 2008 nissan altima radio wiring diagram collection. Wiring diagram for 2005 nissan murano : nissan murano fuse diagram. Nissan murano wiring diagram
Nissan Murano Wiring Harnes Diagram - Wiring Diagram
[DIAGRAM] 2006 Nissan Murano Fuse Box Diagram FULL Version HD Quality
Wiring Diagram For 2005 Nissan Murano : Nissan Murano Fuse Diagram
Wiring - 2011 Nissan Murano CrossCabriolet
Nissan Murano SL 2009 Electrical Circuit Wiring Diagram - CarFuseBox

Tidak ada komentar:
Posting Komentar